|
|
|
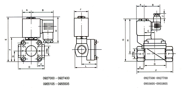
●外型尺寸
|
|
|
|
●特點
- 德國HERION公司許可證產品;
- 可使用中性、弱酸、弱堿性的水、油、氣體及蒸汽等做工作介質,亦可用作真空密封閥
- 標準代號:Q/JBMJ29
●主要技術參數
|
型 號
|
通徑
(mm)
|
接管
|
配用電
磁線圈
|
工作壓力
(MPa)
|
小工作
壓差(MPa)
|
Kv值
(m3/h)
|
切換頻率
(Hz)
|
|
常斷型
|
常通型
|
|
0927000
|
0955105
|
8
|
G1/4"
|
0200
0210
0270
0271
|
0.07~1.00
|
0.10
|
1.15
|
≥0.5
|
|
0927100
|
0955205
|
10
|
G3/8"
|
1.70
|
|
0927200
|
0955305
|
12
|
G1/2"
|
|
0927300
|
0955405
|
20
|
G3/4"
|
5.10
|
|
0927400
|
0955505
|
25
|
G1"
|
5.35
|
|
0927500
|
0955605
|
32
|
G11/4"
|
0.10~1.60
|
20.0
|
|
0927600
|
0955705
|
40
|
G11/2"
|
25.0
|
|
0927700
|
0955805
|
50
|
G2"
|
43.0
|
≥0.33
|
●外形尺寸
|
型 號
|
Ma
|
A
|
B
|
C
|
D
|
E
|
F
|
G
|
H
|
J
|
K
|
L
|
|
0927000
|
0955105
|
G1/4"
|
18
|
50
|
12
|
12
|
101
|
55
|
22
|
60
|
30
|
33.5
|
47
|
|
0927100
|
0955205
|
G3/8"
|
12
|
12
|
101
|
55
|
22
|
|
0927200
|
0955305
|
G1/2"
|
14
|
12
|
101
|
55
|
22
|
|
0927300
|
0955405
|
G3/4"
|
16
|
81
|
118
|
72
|
30
|
45.5
|
63.5
|
|
0927400
|
0955505
|
G1"
|
18
|
91
|
118
|
72
|
30
|
45.5
|
66
|
|
0927500
|
0955605
|
G11/4"
|
47
|
96
|
18
|
132
|
169
|
135.5
|
18
|
-
|
-
|
|
0927600
|
0955705
|
G11/2"
|
47
|
96
|
18
|
132
|
169
|
135.5
|
|
0927700
|
0955805
|
G2"
|
55
|
112
|
20
|
160
|
188
|
147.5
|
|
|