QGJ系列夾緊氣缸
![]() |
||||||||||||||
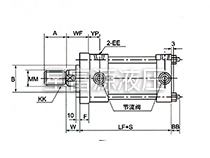
| ●產品特點 QGJ系列夾繁氣缸是根據工夾具自動化夾繁需要而設計的,具有結構緊湊.體積小.安裝維修方便.工作可靠.運動一穩等特點.廣泛適用各種工裝夾具的氣動夾動夾緊機構上,是汽車制造等行業自動生產線上的理想氣動元件。 |
||||||||||||||
| ●技術參數 | ||||||||||||||
| 工作介質:干燥潔凈含油霧的壓縮空氣 工作壓力:0.05-1MPa 耐 壓:1.5MPa 環境溫度:-5- +60℃ 活塞運動速度:50-500mm/s |
||||||||||||||
| ●開關型號及參數 | ||||||||||||||
|
||||||||||||||
相關推薦
/ recommend





